ESP8266 as IoT device
Reviewing the Exosite Murano Platform for a IoT solution, I started to build a new board based on ESP8266 powered ESP-12E module.
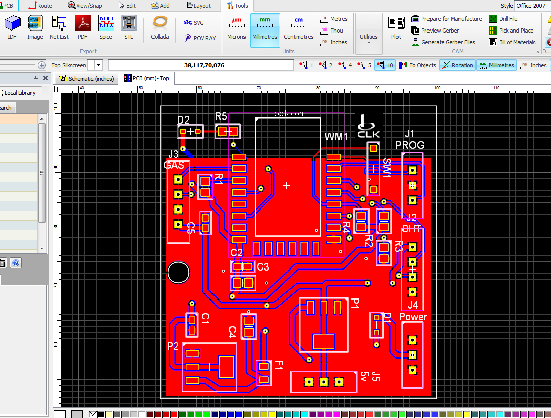
Tools used: Autotrax DEX aka DEXPCB and DFM now!
Arduino ESP support installation instructions:
Start Arduino and open Preferences window.
Enter the following link into “Additional Board Manager URLs” field.:
http://arduino.esp8266.com/stable/package_esp8266com_index.json
Start the Boards Manager, update and select the ESP support package.
Install and use a USB to Serial adapter to program the board.
Links:
Arduino Core for ESP: Github link
Ai Thinker ESP-12E Product Page: http://www.ai-thinker.com/html/2016/ESP_01-14Series_0422/49.html
Ai Thinker ESP-12E Datasheet: http://www.ai-thinker.com/uploadfile/2016/0722/20160722020431739.pdf
http://wiki.ai-thinker.com/_media/esp8266/docs/esp8266_series_modules_user_manual_cn.pdf








